

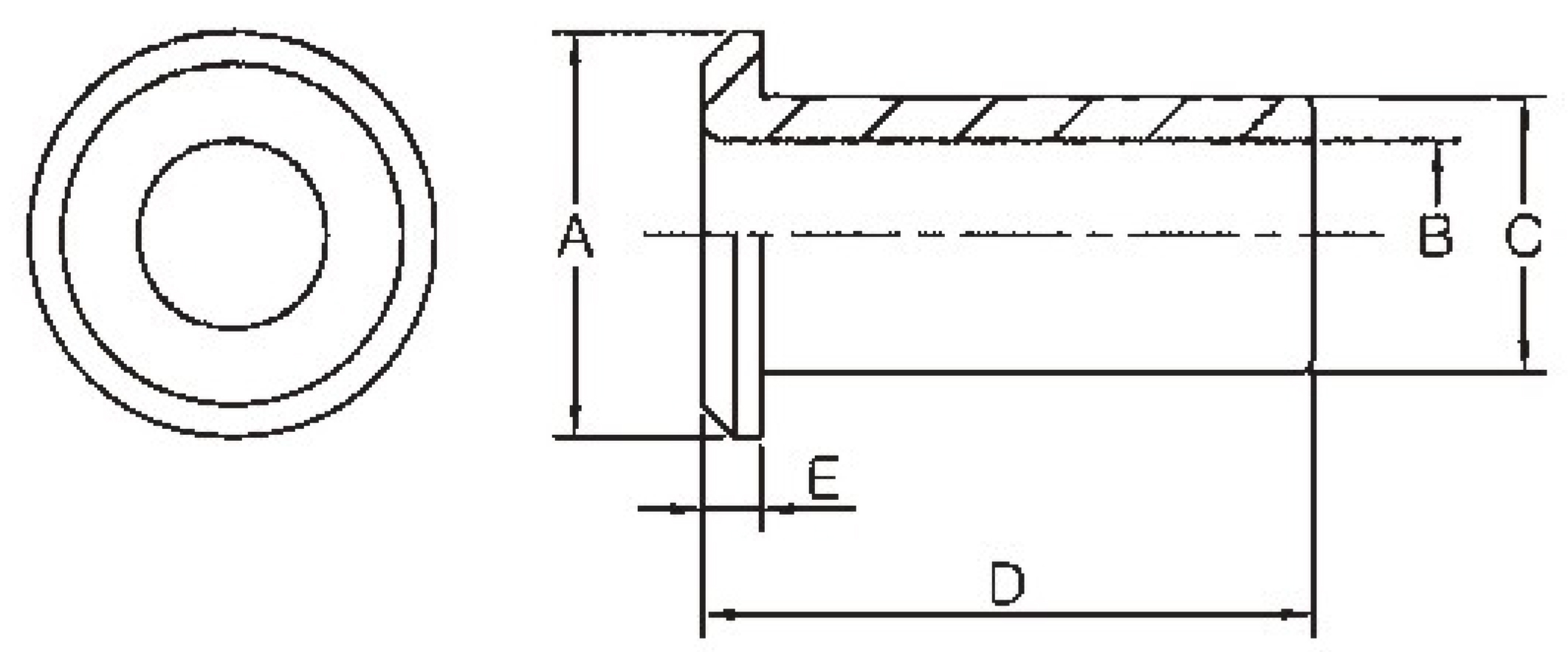
| Артикул | Размер корпуса |
øA1) ±0.41 |
øA2) ±0.41 |
øB ±0.41 |
øC ±0.41 |
D ±0.79 |
E1) ±0.41 |
E2) ±0.41 |
|---|---|---|---|---|---|---|---|---|
| MS3420-4 | 10SL, 12SL&12 | 14.66 | 12.83 | 5.59 | 7.67 | 69.85 | 1.60 | 1.57 |
| MS3420-6 | 14&14 | 17.76 | 15.72 | 7.92 | 10.85 | 66.86 | 1.60 | 1.57 |
| MS3420-8 | 16S&16 | 20.96 | 18.90 | 11.10 | 14.02 | 63.50 | 1.60 | 1.57 |
| MS3420-10 | 18 | 24.09 | 22.58 | 14.27 | 15.62 | 60.33 | 1.60 | 1.57 |
| MS3420-12 | 20,22 | 27.75 | 27.53 | 15.88 | 18.80 | 57.15 | 1.60 | 1.57 |
| MS3420-16 | 24,28 | 34.79 | 33.38 | 19.05 | 23.55 | 53.98 | 1.60 | 1.57 |
| MS3420-20 | 32 | 42.93 | 40.59 | 23.80 | 31.50 | 50.80 | 1.60 | 1.57 |
| MS3420-24 | 36 | 49.26 | 46.91 | 31.75 | 34.67 | 47.63 | 1.60 | 1.57 |