SSR серия

SSR-P03DD fotekТвердотельные реле для управления цепями постоянного тока. Исполнение SSR-P03DD предназначено для монтажа на печатной плате.
 

 
Модель SSR-05DD SSR-10DD SSR-10DD-H SSR-P03DD
Параметры выхода
Напряжение 3~32VDC, Вкл. >2.4 V/Выкл.<1.0V
Метод управления Оптоэлектронная развязка
Параметры нагрузки
Рабочее напряжение 5~60VAC 5~200VAC 5~60VAC
Остаточное напряжение 1.6 V/25ºС
Максимально допустимые перегрузки по току 15A 30A 30A 15A
Ток утечки 0.8mA
Время срабатывания 1 мсек.< Вкл.+Выкл.>
Общие характеристики
Диэлектрическая прочность Свыше 2.5 KVAC в мин.
Сопротивление изоляции Свыше 50МΩ/500VDC
Диапазон рабочих температур -20°С~+80°C
Материал корпуса Пластик

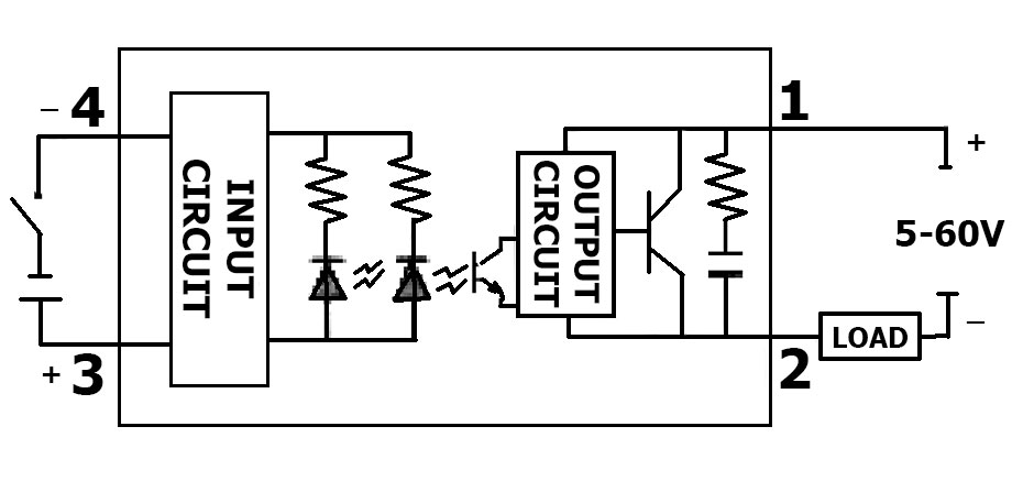
Схема подключения

Схема подключения SSR

Габаритный чертёж SSR-P03DD

SSR—P03DD размеры

Габаритный чертёж SSR—05DD, SSR— 10DD, SSR—10DD-H

SSR-05DD размеры