ø28мм с подсветкой

Кнопка с точечной подсветкой GQ28-D
GQ28-D onpow GQ28-D
Кнопка с точечной подсветкой GQ28PF-D
кнопка GQ28PF-D

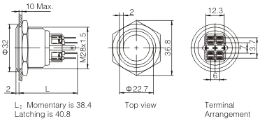
GQ28PF размеры

Кнопка с кольцевой подсветкой GQ28-11E/22E
GQ28-11E/22E с подсветкой
Кнопка с кольцевой подсветкой GQ28PF-11E/22E
GQ28PF

GQ28PF-11E

  • 28мм посадочный диаметр
  • Модульная конструкция
  • Коммутируемые значения  - 5А/250В переменное напряжение
  • Материал - нержавеющая сталь
  • Режим работ - кратковременный / с залипанием(Z)
  • Степень защиты по IP и IK - IP65 (IP67 под заказ), IK10
  • Контакты - 1NO1NC(11)2NO2NC(22)
  • Цвет подсветки - красный, зелёный, желтый, оранжевый, синий, белый
  • Напряжение подсветки - 6/12/24/110/220V
Спецификация кнопок GQ28
Коммутация Za (двойной переключающий контакт) Материал кнопка нержавеющая сталь
Крепежная толщина 1-8мм корпус нержавеющая сталь
Механическая долговечность 1,000,000 циклов контактная площадка PA
Электрическия долговечность 50,000 циклов Сила срабатывания 5,5-7Н
Тип подключения штырьковые клеммы (2,8х0,5мм) Ход срабатывания ~2,8мм
Момент затяжки 1,4Нм под заказ