
| Серия | F42 |
|---|---|
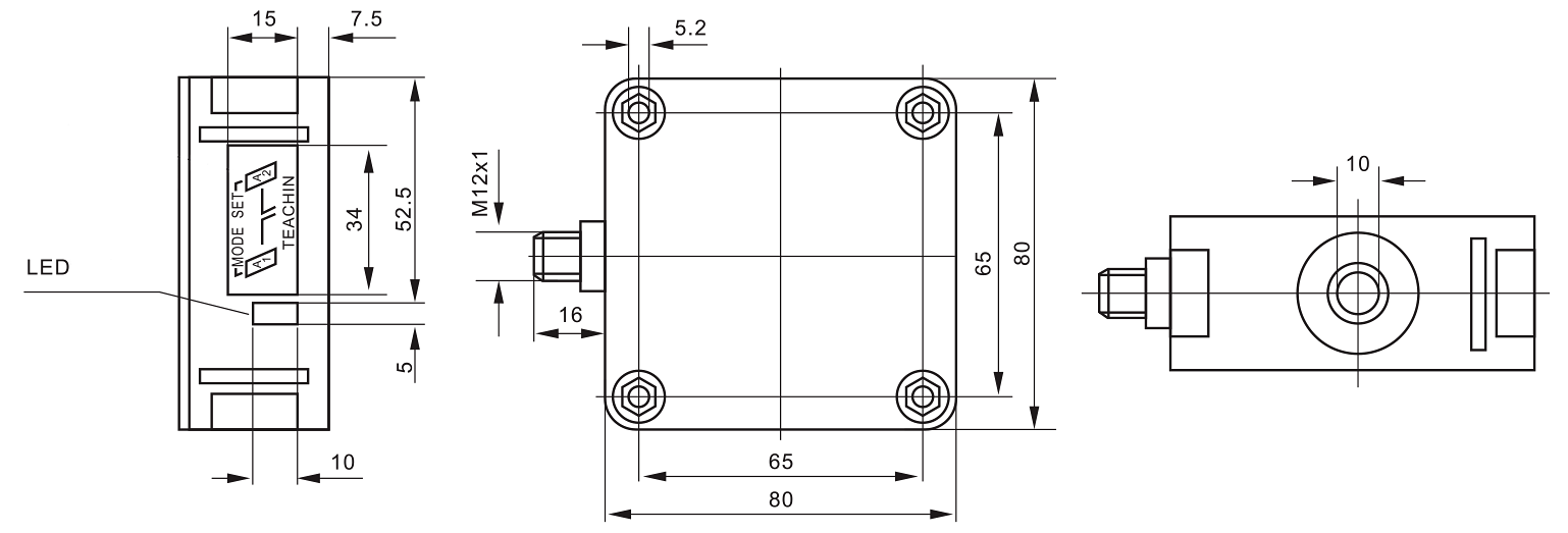
| Тип | LGCB4000-F42-D5/D6-V15 |
| Расстояние срабатывания | 200-4000мм |
| Расстояние настройки | 240-4000мм |
| Слепая зона | 0-200мм |
| Оптимальный размер регистрируемого объекта | 100x100mm |
| Базовая частота | ≈85KHz |
| Время срабатывания | ≈325ms |
| Зеленый LED индикатор | индикация включения питания |
| мигание - объект не обнаружен | |
| Желтый LED индикатор | индикация режима переключения |
| мигание - объект обнаружен | |
| Красный LED индикатор | непрерывное горение - ошибка |
| мигание - объект не обнаружен | |
| Рабочее напряжение | 10-30VDC |
| Ток несрабатывания | <=60мА |
| Тип выхода | D5: аналоговый выход - 4-20мА |
| D6: аналоговый выход - 0-10V | |
| Погрешность | 0,1% от значния полной шкалы |
| Отклонение характеристической кривой | +-1% от значния полной шкалы |
| Электрическое сопротивление ввода | I: 0...300ohm; U:>1kOhm |
| Номинальный рабочий ток | 200мА, защита от короткого замыкания/перегрузки |
| Возможное падение напряжения | <=2.5V |
| Гистерезис | 1% от установленной дистанции распрознавания |
| Частота переключения | <=3.3Hz |
| Температурное влияние | +-2% от полного значения шкалы |
| Тип ввода | "TEACH IN" - один программный вход |
| 1: -UB...+1V рабочее расстояние1: -UB...+1V | |
| 2: 6V...+UB рабочее расстояние2: 6V...+UB | |
| Входное сопротивление: >4.7KOм | |
| Установки синхронизации |
1 одновременное двунаправленное соединение |
| 0-level: +UB...+1V | |
| 1-level: +4V...+UB | |
| Полное сопротивление входа: >12kOhm | |
| Стандарт | IEC/EN60947-5-2 |
| Рабочая температура окружающей среды | -25ºС~+70ºС(248...343K) |
| Температура хранения | -40ºС~+85ºС(233...358K) |
| Класс защиты | IP54 |
| Разъем | M12x1, 5 pin |
| Материал корпуса | ABS пластик |
| Масса | 140g |