Серия 16, 24 и 25. Миницилиндры.

Меню Цилиндры Серия 16, 24 и 25

Серия 16, 24 и 25. Миницилиндры.

Серия 16: ø 8, 10, 12;
Серия 24: ø 16, 20, 25 - магнитные;
Серия 25: ø 16, 20, 25 - магнитные с демпфированием.

>>

 Одно- и двустороннего действия

>>  Стандарт CETOP RP52-P DIN/ISO 6432
>>  Гильза и шток из нержавеющей стали
>>

 Анодированные алюминиевые крышки

Миницилиндры серии 16, 24 и 25 соответствуют европейским стандартам CETOP RP52-P и DIN/ISO 6432.

Современные материалы и глубокая конструкторская проработка позволили создать широкую гамму универсальных и надежных цилиндров.

Прецизионное закрепление трубы на крышках обеспечивает исключительно точное взаимное расположение подвижных деталей.

Поскольку в миницилиндрах достигаются высокие скорости перемещения, они оснащаются пластиковыми шайбами на поршне, обеспечивающими бесшумную и мягкую остановку. Кроме этого, миницилиндры серии 25 оснащены устройствами регулируемого демпфирования поршня в конце хода.

Цилиндры серии 24 и 25 имеют магнит на поршне и могут работать с магнитными датчиками.

Они широко используются в упаковочном оборудовании и в табачной промышленности, имеют высокое качество и большой выбор типоразмеров.

Могут заказываться различные монтажные принадлежности для облегчения закрепления цилиндров в конкретном применении.

 

Серия 16, 24 и 25.
Миницилиндры.

 

 ( + добавить ход)

Серия 16, 24 и 25.
Миницилиндры.
Двусторонний шток.

 Позиция поставляется под заказ.

Серия 16, 24 и 25.
Миницилиндры.
Вариант исполнения со стопором штока Модель RLC.

 

( + добавить ход)

Лапы. Модель B...
Материал: оцинкованная сталь.

В комплект входит:
Крепление 2шт.
Гайка передней крышки Модель V 1шт.

  

 

( + добавить ход)

Фланец передний/задний. Модель Е...
Материал: оцинкованная сталь.

 

( + добавить ход)

Кронштейн. Модель I...
Материал: оцинкованная сталь.

 

( + добавить ход)

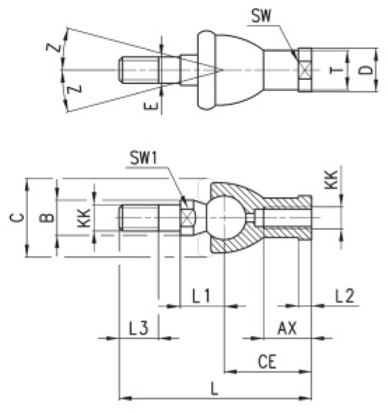
Вилка для штока. Модель G
ISO 8140
Материал: оцинкованная сталь.

 

Сферический наконечник. Модель GA
ISO 8139
Материал: оцинкованная сталь.

 

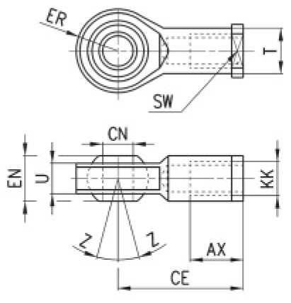
Шаровый шарнир. Модель GY...
ISO 8139
Материал: оцинкованная сталь.

 

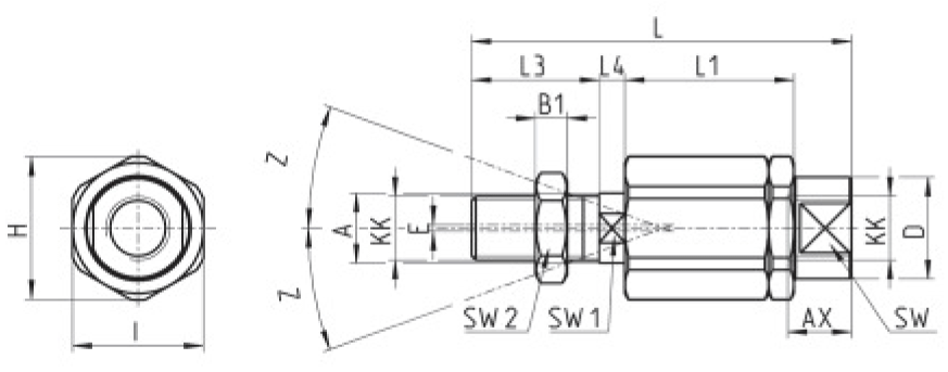
Гайка штока. Модель U
UNI EN ISO 4035
Материал: оцинкованная сталь.

 

Гайка крышки. Модель V
UNI EN ISO 4035
Материал: оцинкованная сталь.

 

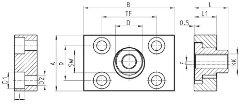
Самоцентрирующийся шаровый шарнир. Модель GK

 

Фланец с плавающей головкой. Модель GKF

 

Вверх